Advanced Composition Explorer (ACE)
Magnetometer Instrument (MAG)
Instrument
Functional Requirement Document (IFRD)
Prepared by the
Bartol Research Institute
University of Delaware
Newark, DE 19716
December 1994
Table of Contents
1. Functional Description 1.1. Instrument Description 31.2. MAG Instrument Description 51.2.1. Digital Processing Unit 61.2.2. Power Converters and Thermal Control 82. Management Plan 92.1. Approach 92.2. Organization 92.3. Key Personnel 93. Development Plan 113.1. Instrument Heritage 113.2. Changes/Additions from/to Heritage 113.3. Development 113.3.1. Hardware Tasks 113.3.2. Software Tasks 113.3.3. GSE Plans 113.3.4. Key Facilities 113.4. Calibration 113.5. Test and Integration 123.5.1. Instrument Test Matrix w/Facilities Requirements 123.5.2. Thermal Vacuum Cycling 133.5.3. Test and Integration Flow 134. Operations Plan 144.1. Instrument Commanding 144.2. Data Analysis 144.2.1. Data Flow 144.2.2. Level 0, Level 1 and Level 2 Processing 144.2.3. Science Operations Center Interface 154.3. Operational Facilities 15
List of Figures
The ACE Magnetic Field Instrument (MAG) will measure the local interplanetary magnetic field (IMF) direction and magnitude and establish the largescale structure and fluctuation characteristics of the IMF at 1 AU upstream of Earth as functions of time throughout the mission. This experiment will provide:
These measurements will be precise, accurate, and ultrasensitive. The basic instrument is a twin triaxial fluxgate magnetometer system. Each of two identical sensors is on booms that extend past the end of diametrically opposite solar panels. The digital processing unit utilizes a 12bit A/D converter to easily resolve small amplitude fluctuations of the field, and is microprocessor controlled. It also incorporates a dedicated FFT processor developed around high performance DSP integrated circuits, which produces a 32channel logarithmic spectrum for each axis, synthesized from a "raw" 256point linear spectrum. All components of the power spectral matrices corresponding to the 32 estimates are transmitted to the ground once every 80 seconds, providing power and phase information together with the corresponding snapshot memory time series data. As in previous instruments developed at GSFC, high reliability is obtained by the use of fully redundant systems and extremely conservative designs. The intrinsic zero drift of the sensors is expected to be below 0.1 nT over periods of up to 6 months. Electrical "flippers" designed to simulate a 180 degree mechanical rotation of the sensors, will be used to monitor the zero level drift associated with aging of electronic components. The use of advanced statistical techniques for estimating absolute zero levels is also planned. The instruments feature a very wide dynamic range of measurements capability, from ± 4 nT up to ± 65,536 nT per axis in eight discrete ranges; all ranges can be activated either by command or, most commonly, automatically. The upper range permits endtoend testing in the Earth's magnetic field without the need for special field cancellation coils or magnetic shields. Table 1 summarizes the principal instrument characteristics.
TABLE 1.
Summary Of Instrument Characteristics
Instrument type: Twin, triaxial fluxgate magnetometers (boom mounted).
Dynamic ranges (8): ±4 nT; ±16 nT; ±64 nT; ±256 nT; ±1024 nT; ±4096 nT; ±16,384 nT; ±65,536 nT
Digital Resolution (12bit): ±0.001 nT; ±0.004 nT; ±0.016 nT; ±0.0625 nT; ±.25 nT; ±1.0 nT; ±4.0 nT; ±16.0 nT
Bandwidth: 12 Hz
Sensor noise level: < 0.006 nT RMS, 010 Hz
Sampling rate: 24 vector samples/s in snapshot memory and 2,3,4 or 6 vector samples/s standard.
Signal Processing: FFT Processor, 32 logarithmically spaced channels, 0 to 12 Hz. Full spectral matrices generated every 80 seconds for four time series (Bx, By, Bz, |B|).
FFT Windows/Filters: Full despin of spin plane components, 10% cosine taper, Hanning window, first difference filter.
FFT Dynamic range: 72 dB, Law logcompressed, 13bit normalized to 7bit with sign
Sensitivity threshold: ~0.5 x 10-3 nT/Hz in Range 0.
Snapshot memory capacity: 256 Kbits
Trigger modes (3): Overall Magnitude Ratio, Directional max.min. peak to peak change, Spectral increase across frequency band (RMS)
Telemetry Modes: Three, selectable by command.
Mass: See Payload Resources Document
ACE-CT-100-40
Power Consumption: See Payload Resources Document
ACE-CT-100-40
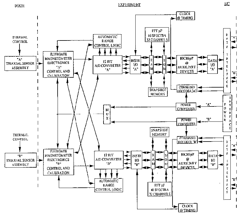
The basic instrumentation selected for the ACE Magnetic Field Investigation (MAG) is a modification of the spare MFI instrument built for the WIND mission. The MFI was itself based on the magnetometers previously developed for the Voyager, ISPM, GIOTTO and Mars Observer missions which represent stateoftheart instruments with unparalleled performance. The basic configuration of MAG consists of twin, wide range (±0.004 to ±65536 nT) triaxial fluxgate magnetometers mounted remote from the spacecraft body on deployable booms, a 12bit resolution A/D converter system and a microprocessor controlled data processing and control unit (DPU). Each of two identical sensors (labeled A and B) is mounted at the end of a boom that extends beyond the solar panels. A block diagram of the MAG instrumentation is shown in Figure 1.
The twin magnetometer system is supported by the fully redundant DPU which interfaces with the spacecraft data and power systems. The use of full redundancy in the MAG instrument is an important feature that emphasizes the critical nature of the magnetic field measurements for the achievement of the ACE science objectives. It significantly reduces the probability of failures and takes advantage of the inherent redundancy provided by the twin magnetometer configuration. This redundancy includes assigning by command either primary or secondary data stream functionality to the A sensor and likewise for the B sensor. In addition to the block redundancy provided, each magnetometer system incorporates selfresetting electronic "fuses" which isolate the common subsystems in case of catastrophic problems.
Each sensor assembly consists of an orthogonal triaxial arrangement of ringcore fluxgate sensors plus additional elements required for thermal control. The fluxgate sensors are the latest in a series developed for weak magnetic field measurements by Acuña et. al. (1974) which have been extensively used in missions like VOYAGER, AMPTE, GIOTTO, Mars Observer, CLUSTER, etc. due to their superior performance and low power consumption. The detailed principles of operation of fluxgate magnetometers are well known and will not be repeated here. It is sufficient to refer to Figure 2 for a simplified description of their operation. (For additional information the reader is referred to Ness, 1970 and Acuña, 1974; 1976 a, b). As shown in Figure 2 the fluxgate sensors are driven cyclically to saturation by a 15 KHz signal derived from the DPU master clock. The sensor drive signals are derived from an efficient high energy storage system which is capable of driving the ring core sensors to peak excitations which are more than 100 times the coercive saturation force of the cores. This type of excitation eliminates from consideration many "perming" problems which have been attributed to fluxgate sensors in the past.
In the absence of an external magnetic field, the fluxgate sensors are "balanced" and no signal appears at the output terminals. When an external field is applied, the sensor balance is disturbed and a signal containing only even harmonics of the drive frequency appears at the output of the sensors. After amplification and filtering, this signal is applied to a synchronous detector and high gain integrating amplifier which is used to generate a current proportional to the magnitude of the applied field which is fedback to the sensor to null the effective magnetic field seen by it. The output of a single axis magnetometer is then a voltage proportional to the magnitude, direction and polarity of the ambient magnetic field with respect to the sensor axis orientation. A triaxial magnetometer is thus created when three single axis sensors are arranged in an orthogonal configuration and three sets of signal processing electronics are used to produce three output voltages proportional to the orthogonal components of the ambient magnetic field.
The noise performance of the MAG fluxgate sensors is shown in Figures 4 and 5. Total RMS noise level over the 010 Hz band does not exceed 0.006 nT. This noise level is several orders of magnitude below the lowest recorded levels of IMF fluctuations at 1 AU and is more than adequate to properly detect and identify all magnetic field phenomena of interest to MAG.
The six analog signals generated by each of the two magnetometers are digitized by the 12bit successive approximation A/D converter. The 12bit resolution allows the recovery of a very large dynamic range of signals spanning 72 dB. To further increase the measurement dynamic range and to accommodate simplified integration and test requirements during spacecraft testing, the dynamic range of the magnetometers can be changed automatically if the magnitude of the measured signals exceeds or drops below established digital thresholds illustrated in Figure 5. In this fashion, the MAG instrumentation can cover eight orders of magnitude in magnetic field measurement capability, from 0.001 nT to 65,536 nT per axis. The operation of the automatic ranging system is controlled by the microprocessor and allowed only at clearly defined times in the telemetry frame to avoid ambiguities in the interpretation of the data. When the digitized output of any magnetometer axis exceeds 7/8's of full scale, the microprocessor generates a command to step up (increase) the magnetometer to the next, less sensitive, range. Conversely, when the output of all axes drops below 1/8th of full scale, the DPU commands the appropriate magnetometer to step down (decrease) to the next most sensitive range. A "guard band" of 1/8th scale is provided to avoid the loss of measurements due to saturation until the range is updated. The decision to increase or decrease dynamic range is made at the basic internal sampling. The MAG telemetry allocation is not sufficient to allow the transmission of all the data to the ground and onboard data averaging, compression and decimation must be used to reduce the "raw" rate to an acceptable value. These operations are described in more detail later. The DPU also controls calibration sequences which provide the necessary currents to determine the scale factor of each of the A and B magnetometer axes for various dynamic ranges as well as the determination of zero offsets by implementing a 180º phase reversal of the signals processed by the magnetometer electronics (electronic "flipping").
The DPU, including the analogtodigital converter, is based on the concept of a "smart system" which performs all required operations: data manipulation and formatting, averaging, compaction and decimation, etc. The basic microprocessor used is a radiation hardened version of the popular 80C86, and a block diagram of the DPU architecture is shown in Figure 1. All core operations performed by the system are carried out under the control of interrupt driven software synchronized to the telemetry system clock, subframe and frame rates. The system design is based on a default executive and processing program which is stored and executes in ReadOnlyMemory (ROM). All subsequent operations are carried out from ROM and no commands or memory loads are required to obtain valid data from the instrument after initial turnon. All default parameter values for the system are stored in tables in ROM which, once mapped into RAM during initialization, can later be modified by commands to update calibrations, alignments, sampling rates, zero levels, etc.
The execution of the executive and auxiliary programs is monitored by hardware and software watchdog timers. The external hardware watchdog timer is normally reset by proper execution of the executive program; in the absence of a reset pulse, the watchdog timer will reset the DPU and restart the default ROM program, reloading all default parameters from ROM.
In addition to the core DPU functions described above, to better enable the study of rapid changes in the ambient magnetic field, the MAG instrumentation includes two additional functional elements designed specifically for this purpose:
a 256 Kbit "Snapshot Memory" (SSM) and
a Fast Fourier Transform Processor (FFT) implemented around a TI-320C10 dedicated digital signal processor and associated memory.
This enables the study of the physics of the finescale structure of shock waves, directional discontinuities and boundary structures, as well as the various wave modes and noncoherent fluctuations occurring in the solar wind. The snapshot memory can be programmed to trigger upon the occurrence of one or more of the three classes of conditions:
A magnetic field magnitude jump.
A directional change (peak to peak).
Changes in the characteristics of field fluctuations over time.
A software command (new to modified MFI)
When the selected condition is satisfied, the contents of the snapshot memory are "frozen". Under normal conditions, the primary magnetometer data sampled at the highest possible rate (24 samples/sec.) is circulated through the snapshot memory with cyclical overwriting once the memory is full. Thus a maximum of 7282 vectors can be stored in memory. This corresponds to approximately 304 seconds of data. The use of memory pointers in the DPU software allows the recovery of data acquired 152 seconds prior to the occurrence of the trigger (i.e., onehalf of the buffer). Thus it is possible to study precursor events in high time resolution.
The FFT processor complements the snapshot memory by providing full spectral estimation capabilities in the frequency range of 012 Hz for Primary magnetometer data. The basic FFT engine produces raw spectral estimates of the three components of the field in 256 spectral bands using 512 samples of the ambient magnetic field data (i.e. 21 seconds). In addition, the processor computes the magnitude of the magnetic field vectors in the time series being analyzed, its Fast Fourier Transform and the crossspectral estimates associated with the three orthogonal components. In order to reduce the effects of the large signals associated with the spacecraft spin, the TI-320C10 processor is used to despin the spin plane components of the data prior to the computation of the FFT for these axes. Other functions included in the FFT processor are prewhitening of input data, windowing (cosine taper and Hanning), and data compression. The latter is required to reduce the volume of raw data produced by the spectral analysis (256, 3x3 spectral matrices plus a 256 element time series) to a manageable size which can be accommodated by the telemetry rate allocated to MAG. In the frequency domain, the 256 spectral estimates are compressed into 32 logarithmically spaced frequency bands of constant fractional bandwidth (or equal "Q" filters). In the amplitude domain, the 12bit data are logarithmically compressed to 7bits plus sign using two alternate schemes: (a) a variable MSB truncation approach and (b) an algorithm based on the µLaw commonly used in communication systems. The net result is a set of 32 full spectral matrices for the components and 32 spectral estimates for the field magnitude, transmitted to ground using 8bit words but representing the original dynamic range of 12bits. Further details of the FFT processor can be found in Acuña et. al. (1992) and Panetta et. al. (1992).
Finally, the DPU can support the distribution of high time resolution data to other instrument such as the NOAA Processor. A serial data stream consisting of zero corrected (but not despun) primary magnetometer data sampled at 24 samples per second plus ancillary range and miscellaneous information, can be provided. This option will however not be exercised for ACE.
The nominal telemetry modes for ACE/MAG are illustrated in Table 2. Note that the different modes allocate different ratios of the available telemetry resources to the sampling of the Primary and Secondary magnetometers, the snapshot memory buffer and the FFT processor. Mode 1 is the default mode which provides equal sampling rates to the two sensors and will be used initially to characterize and evaluate the nature of the spacecraft generated magnetic field. Mode 2, the high rate mode which favors the Primary Sensor is expected to be used during most of the mission. Mode 3 can be used to provide enhanced data for the Primary Sensor at 6 vectors/second.
Table 2.
MAG Telemetry Modes
|
Data Stream |
Mode 1 Normal Mode |
Mode 2 High Rate Mode |
Mode 3 Enhanced Mode |
|
Primary Sensor |
108 bps (3) |
144 bps (4) |
216 bps (6) |
|
Secondary Sensor |
108 bps (3) |
72 bps (2) |
0 |
|
FFT |
32 bps |
32 bps |
32 bps |
|
SSM |
48 bps |
48 bps |
48 bps |
|
Status |
8 bps |
8 bps |
8 bps |
The total MAG bit rate is 304 bps in all modes. ()= Vectors/second
The MAG instrumentation derives power from the 28 volt regulated spacecraft bus through two redundant power converters. Only one subsystem is powered at any particular time. The converters are high efficiency units which operate at 50 KHz and are synchronized to the master crystal clock of the DPU to minimize interference with other experiments onboard the spacecraft. Selection of the active converter is simply accomplished by powering the desired unit.
To maintain the fluxgate sensors within their optimum operating temperature range, it may be necessary to provide heater power to the boom mounted triaxial sensor assemblies during periods of sun occultation. Since it is extremely difficult to reduce the stray magnetic field associated with the operation of DC powered foil heaters to acceptable levels for MAG, a magnetic amplifier operating at 50 KHz is used to obtain automatic, proportional control of AC power supplied to the heating elements. The nominal power required to maintain each sensors at the desired temperatures is estimated to lie in the range of 0.3 to 0.5 watts each (See Payload Resources Document ACE-CT-100-40 for official values).
The ACE/MAG project will be managed at the University of Delaware - Bartol Research Institute with Norman F. Ness as Experiment Manager, Jacques L'Heureux as Instrument Manager, Charles W. Smith as Data Manager, and Debbie S. Booth as Administrative officer, all located in Sharp Lab on the main campus of the University of Delaware.
The MAG instrument is a modified MFI/WIND spare to be furnished and modified by the same NASA/GSFC team that designed and built the MFI. This hardware team will be led by Mario Acuña and the work will be carried out within Code 695 in the Laboratory for Extraterrestrial Physics (LEP). The key elements of their management approach are conservative utilization of inhouse capability, sharing of responsibilities according to expertise and experience, flexibility, modest use of outofhouse capability for fabrication, and constant surveillance through reviews. This approach has been used successfully by this team in the past to implement over 23 flight experiments, all accomplished within cost and on schedule.
The integration of MAG with ACE will be a team effort between BRI and GSFC to be led by BRI. Support for the ACE Science Center (ASC) will be the responsibility of the BRI. A Bartol Science Center (BSC) will be created for the processing and archiving of the MAG data and will be operated by BRI personnel.
The MO&DA Phase - which is not part of this proposal - will be a collaboration between the BRI team and a team at GSFC to be led by Dr. L. G. Burlaga of Code 692.
The organization chart for the ACE/MAG effort is shown
in Figure 5.
| Bartol Research Institute University of Delaware |
Norman F. Ness, President of the Bartol Research Institute, Professor and Experiment Manager for MAG. He has overall responsibility for the BRI subcontract and will be involved in the science, the instrumentation, the contract reporting, and the resource management. |
| Jacques L'Heureux, Senior Research Scientist and Instrument Manager. He is responsible for the daytoday implementation of the instrument development instrumentation which includes monitoring the progress of the work done at the GSFC. He will also be involved in contract reporting and resource management. | |
| Charles W. Smith, Senior Research Scientist and Data Processing Manager (DPM). Will assist the EM in establishing the detailed scientific objectives and the establishment of the data analysis requirements. Will also provide coordination with ASC and BSC personnel as necessary. | |
| Hua Tsao, Research Scientist and Programmer. Responsible to the DPM for the development and testing of missionunique software and the integration and support of the BSC Workstation. | |
| Len Shulman, Electronics Engineer. Provide expertise in hardware implementation of GSE interfaces. | |
| Debbie S. Booth, Administrative Officer. Responsible to the EM for all procurement actions and financial bookkeeping activities. | |
| NASA-Goddard Space Flight Center Greenbelt, MD |
Mario Acuña, Instrument Scientist at the Goddard Space Flight Center. for the Goddard supplied hardware. Has overall responsibility for the GSFC supplied hardware, the contract reporting, and the resource management. |
| John Scheifele, Senior Engineer. Will act as Instrument Manager for the GSFC supplied hardware. Will supervise hardware redesign, fabrication and testing. |
The ACE/MAG instrument will be a modification of the spare MFI instrument built for the WIND mission with the prime unit successfully launched on November 1, 1994. The fluxgate sensors used in that instrument are the latest in a series developed for weak magnetic field measurements by Acuña et. al. (1974) and which have been extensively used in missions like VOYAGER, AMPTE, GIOTTO, Mars Observer, CLUSTER, etc. due to their superior performance and low power consumption.
The ACE/MAG instrument will be a slightly modified MFI with all the changes being in the I/O section and to the onboard firmware to adapt to the ACE telemetry scheme.
No new development hardware tasks have been identified.
Onboard Software: The onboard firmware that currently exists in the MFI/WIND spare unit will be modified to adapt the instrument to the ACE telemetry scheme. This effort will be done at the GSFC by LEP personnel already familiar with the instrument.
GSESoftware: The GSE software for ACE/MAG will be a modification of software written for the MFI/WIND instrument with only the input section needing significant modifications.
The GSE for ACE/MAG consist of IBM-PCs with a specially designed interface card for interfacing with the instrument. This GSE will travel with the instrument during environmental testing and integration. A more powerful version of the GSE will be at the POCC for quick-look data display and analysis.
The modifications to the MFI instrument are to be done at the LEP of the GSFC by members of the original MFI/WIND team. Several test facilities at the GSFC will be required to satisfy the test requirements of ACE/MAG. These tests are summarized in the test matrix.
It will be necessary to calibrate both before the start of the sequence of environmental testing as well as after completion to verify integrity of the instrumentation. The setup for off-line Testing and Calibration is shown schematically in Figure 7
We have requested that the magnetic field of the S/C be less than 0.1 nT at the position of the sensors. This will be best tested during a compatibility test done at the observatory level.
The tests and the location where they will be performed are listed in
Table 4.
Table 4.
Instrument Verification Matrix and Test Plan
|
Test Name |
Test Level (1) |
Test |
Test |
| Vibration | |||
| Sine Test | 3 db below level of Table 3.2-1 | Not Necessary | - |
| Random Test | 3 db below level of Table 3.2-4 | Full MAG | GSFC |
| Acoustic Test | Not necessary | - | |
| Thermal | |||
| Voltage Margin Test | Test at + 70 °C and at - 25 °C at nominal and ±
7% per section 4.4.1 |
Full MAG ± 2% only |
LEP |
| Non-Vacuum Cycling | - 20 °C to + 50 °C | Full MAG | LEP |
| Thermal Soak | - | ||
| High End | + 125 °C for > 168 hr. | Components only | LEP |
| Low End | . | Not done | |
| Thermal-Vac Cycling | See Figure 8 | Full MAG | GSFC |
| Conducted Emissions | |||
| Narrowband | MIL-STD-462 Spec CE01 and CE03 per levels of Fig 5.2-1 | Not necessary | - |
| Broadband | Repeat of WIND/MFI tests | Go/nogo test | GSFC |
| Time Domain Transients | MIL-STD-462 Spec CE07B per method of Fig. 5.2-2 and levels of Fig 5.2-3 | Not necessary | - |
| Radiated Emissions | None required | - | |
| Susceptibility | |||
| Conducted | Limited to 28V Power lines per MIL-STD-462 Spec CS01/CS02 per levels of Fig. 5.2-4 | Not necessary | - |
| Spike Test | MIL-STD-462 Spec CS06 spike of 28V (on top of 28V) for a duration of 15 µs | Can only do 8V without damage. | LEP |
| Radiated | None Required | - |
(1) "Environmental Design and Test Requirements for the ACE Payload",
CalTech Document ACE-CT-100-22 dated July 6, 1994
Thermal vacuum cycling will be done per Figure 8
A compatibility test at the observatory level is required. This will be done during one 8 hour shift, preferably on a weekend night during which time the MAG team will request subsystems on and off in an effort to detect any compatibility problems with the observatory. A stimulator box will replace one of the sensors input to the main electronics box. In addition, the GSE will be connected to the MAG instrument via the test port (J5) to monitor the instrument response in real time to possibly identify compatibility problems in real-time. The setup for this Compatibility Test is shown schematically in Figure 9.
Testing at the observatory level will be done by connecting the MAG GSE to the ACE GSE and by replacing one of the sensor inputs by a Stimulator Box.
The MAG experiment possesses 3 modes of operation that divide the allocated telemetry differently between the two magnetometer data streams, the FFT, and the Snapshot buffers. Ground-station initiated and stored commands are required to change modes of operation between the preprogrammed states. The default executive and processing program is stored in Read-Only-Memory (ROM) and no subsequent commands or memory loads are required after initial turn-on. The processor can be reprogrammed in-flight, but uplink telemetry allocations will necessitate multiple passes for each complete reprogramming. Uplinking of six new offset values will be required periodically (approximately monthly). Calibrations, alignments, and other parameters may also be updated occasionally. Switching between processors A and B will also be commanded through occasional telemetry uplinks. The setup in the POCC during Early Mission Operations is shown in Figure 10.
The POCC will provide only minimal health monitoring and occasional uplinks for MAG due to the robust, pre-programmed nature of the instrument. MAG does not possess states or command sequences which are threatening to the instrument and same-pass uplinks in response to monitoring of health parameters are not required. Health parameters will be located within each major frame and monitoring of these parameters by the POCC will provide the earliest warning of instrument malfunctions necessary for rapid restoration of data quality.
A major consideration in the design of the MAG software and operating modes is the general requirement by the ACE Mission for each investigation to produce highlevel data at the ASC for consultation by the other instrument teams without the continuous intervention of the MAG investigators. For this reason, and since the ASC will be sent the full MAG data set in duplication of what is sent to BRI/UD, we have decided to provide both locations with duplicates of the data analysis software and parameter files (offsets, alignments, etc.). Intermediate-level data products, such as time series of intermediate- and low-time resolution magnetic field measurements in heliographic coordinates, will be routinely generated at the ASC for use by the other investigators and for archival purposes. In addition, analysis routines will be provided to produce highlevel data products, such as spectra, in a convenient and interactive manner. We believe that the production of high-level data products by appropriate investigators is more useful than the routine generation of these products by automated packages. Highlevel data products produced by the investigators will be stored at the ASC for consultation.
We now briefly describe the phases of the processing program to reside at both the ASC and BRI/UD BSC (Bartol Science Center) as summarized in Figure 11. The ASC will receive ACE data from DSN daily while the BSC will receive data on DAT tapes at a previously agreed upon rate. The deblocking of data at BRI/UD is performed with a program specifically designed to strip the requested files from the delivery medium and place them on computer hard disk. The tapes will be retained for archival purposes. At this stage, the files contain MAG measurements in their raw, uncalibrated form. Further processing is performed to create a Level 0 "Standard Format File" containing magnetic field and orbit/attitude data. Level 1 data is obtained by processing the Standard Format File, correcting to physical units using calibration data, correcting for alignment, offsets, etc. and despinning to an inertial reference frame. Level 2 data is obtained by processing Level 1 data to obtain appropriate time resolutions in physical coordinates (such as heliographic). Additional, high-time resolution, Level 2 data is obtained by examination and storage in the database of the FFT and Snapshot buffer contents. Electronic drift and sensor misalignment values will also be part of Level 2 data.
Since analysis software will be duplicated in the ASC and BRI/UD BSC facilities for processing to all levels, routine transmission between the ASC and BRI/UD is expected to involve relatively small parameter files with only occasional transmission of new software. Data will not be routinely transmitted. However, logins to the ASC for interactive data analysis and reduction sessions may be required on a daily basis. An NSI or an Internet connection will suffice. BRI/UD currently supports both. Occasionally, it may be desirable to write either a magnetic tape, magneto-optical, or CD-ROM disk at the ASC for shipment to BRI/UD or other site, at times in response to requests for data from nonACE investigators. This capability at the ASC is desirable.
Since BRI/UD will retain the full MAG data set, we anticipate local storage of Level 0, 1, and 2 data on magneto-optical disks with backup to DAT tapes. The BRI/UD BSC will retain the "master library" of analysis routines from which the ASC library will be maintained. A networked graphics workstation will be purchased for the routine reduction and analysis of ACE MAG data. Subject to possible change, the present configuration of this workstation and peripherals is: a DEC 3000/400 OpenVMS Workstation, dual optical storage unit (1 GByte each); a 4 GByte 4 mm DAT tape drive and an Uninterruptible Power Supply. This support hardware will be attached to the BRI/UD computing network to facilitate access to additional, BRI-supported peripheral hardware and software, such as printers, network gateways, and commercial graphics packages. An appropriate visualization software package will be purchased. This setup for Flight Operations from Remote Sites (BRI) is shown in Figure 12.
Fig. 1 Block Diagram of the ACE/MAG Magnetic Field Experiment
Fig. 2 Schematic of Standard Fluxgate Operation
Fig. 3 Fluxgate Noise Performance Graphs
Fig. 4 Noise Power Spectrum for MAG Prototype Sensor
Fig. 5 Range Switching Scheme
Fig. 6 ACE/MAG Team Organization
Fig. 7 Setup for Off-line Testing and Calibration
Fig. 8 Thermal Vacuum Testing Profile
Fig 9. Setup for Compatibility Test at Observatory Level
Fig. 10 Setup During Early Mission Operations
Fig. 11 Data Processing Flow
Fig. 12 Setup for Flight Operations from Remote Sites (Bartol)